編輯:浙江億核閥門有限公司
日期:2022-06-25 訪問:3322

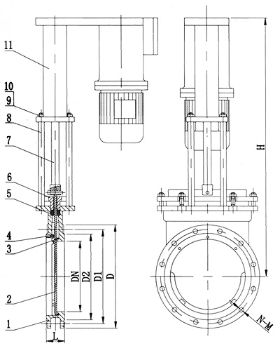
特點說明
本閥適用于高硬度的顆粒例如(灰渣水)等介質,或有軟顆粒但又有腐蝕性的介質的管道上作啟閉之用。公稱壓力1.0MPa,適應溫≤150℃。
密封面采用硬密封與介質接觸的部分均為結構陶瓷材料,其化學穩定性及硬度極高。因此,本閥具有極高的耐磨損、耐腐蝕、耐沖蝕性能,且隔熱性好、熱膨脹小。
本閥料口全流通無阻擋物,耐磨性能強,密封性能好,啟動負荷小卡灰及結灰現象少。
本閥采用高檔曾韌結構陶瓷密封,機械強度高耐磨性能好使用壽命長。結構緊湊可任意角度安裝。


浙江億核閥門有限公司 |
|||||||||||||||||||||
|
|||||||||||||||||||||